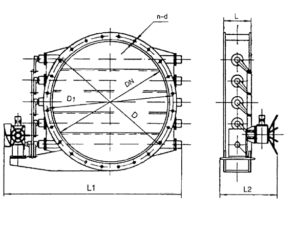
百葉式電動氣流調理閥TJDB-0.5(圓形)
公稱壓力差
|
0.05MPa
|
漏質率
|
1.5%
|
物料流體密度
|
≤30m/s
|
合適室溫
|
-20~300℃
|
混用材質
|
氣息、粉塵濃度汽體等
|

TjDB-0.5形狀毗連尺寸
DN |
D |
D1 |
L |
L1 |
L2 |
n-d |
直流電動配備 |
機電功率(kw) |
軸流風機 |
分量(kg) |
|
280 |
324 |
306 |
160 |
820 |
585 |
8-Φ10 |
Z5-15 |
AZ5-15 |
0.18 |
4-72 |
60 |
320 |
367 |
350 |
180 |
860 |
16-Φ7 |
70 |
|||||
360 |
416 |
394 |
900 |
|
82 |
||||||
450 |
512 |
490 |
930 |
630 |
16-Φ10 |
95 |
|||||
500 |
572 |
550 |
200 |
980 |
|
Z10-18 |
ZA10-18 |
|
125 |
||
600 |
676 |
650 |
1235 |
|
155 |
||||||
180 |
230 |
205 |
160 |
715 |
585
|
8-Φ7 |
Z5-18 |
ZA5-18 |
0.18 |
9-19 9-26 |
210 |
200 |
250 |
225 |
735 |
|
35 |
||||||
224 |
284 |
254 |
755 |
|
45 |
||||||
250 |
310 |
280 |
781 |
8-Φ10 |
9-19 9-72 |
60 |
|||||
280 |
360 |
320 |
801 |
|
75 |
||||||
315 |
395 |
355 |
180 |
840 |
|
125 |
|||||
355 |
435 |
395 |
880 |
|
140 |
||||||
400 |
500 |
450 |
885 |
|
8-Φ12 |
170 |
|||||
450 |
550 |
500 |
925 |
|
210 |
||||||
500 |
620 |
560 |
200 |
975 |
630 |
12-Φ12 |
AZ10-18 |
AZ10-18 |
0.25 |
230 |
|
560 |
680 |
620 |
1035 |
|
260 |
||||||
630 |
750 |
690 |
1265 |
|
320 |
||||||
710 |
830 |
770 |
1345 |
16-Φ12 |
375 |
||||||
800 |
920 |
860 |
260 |
1362 |
|
9-26 |
475 |
||||
900 |
1040 |
970 |
1462 |
16-Φ15 |
ZA15-18 |
ZA15-18 |
0.37 |
525 |
|||
1000 |
1110 |
1065 |
1640 |
|
4-27 Y5-48 |
645 |
|||||
1110 |
1220 |
1170 |
1740 |
20-Φ15 |
670 |
||||||
1120 |
1250 |
1190 |
280 |
1760 |
730 |
|
770 |
||||
1200 |
1330 |
1270 |
1840 |
24-Φ15 |
G/Y-72 |
870 |
|||||
1400 |
1520 |
1470 |
320 |
2040 |
|
970 |
|||||
1600 |
1700 |
1660 |
2240 |
28-Φ19 |
ZA20-18 |
ZA20-18 |
0.55 |
1170 |
|||
1800 |
1900 |
1860 |
420 |
2448 |
|
1270 |
|||||
2000 |
2122 |
2060 |
2648 |
|
1350 |
||||||
2200 |
2300 |
2260 |
450 |
2848 |
36-Φ19 |
ZA30-18 |
ZA30-18 |
0.75 |
G/Y-73-13 |
1590 |
|
2500 |
2600 |
2560 |
3148 |
|
1990 |
||||||
2800 |
2900 |
2860 |
500 |
3448 |
|
2890 |